NEW FLOW Differential Pressure Switch Explosion Proof Type
http://www.new-flow.com
கடைசியாக புதுப்பிக்கப்பட்டது
விலை:
R.F.Q
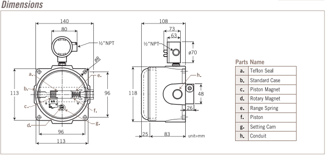
DPS2000X consist of high and low pressure ports. Spring magnet couple with pointer. Differential pressure switch to AP Pressure of high side and low side be made from magnet couple combine with micro switch for using in controller system.
Share Product:
விவரம்
- Accuracy : ±2% F.S ( on rising pressure)
- Housing : Die cast aluminium alloy
- Pressure element : Wetted parts all in SS316
- Process Connection : ¼" NPT female, option available
- Working Pressure : 200 kg/cm²
- Working Temperature : max. 80°C
- Adjustable Micro Switch : One adjustable alarm contact, SPDT
- Load : 5A/125VAC, 5A/250VAC, 2A/30VDC
- Temperature -25°C ~ +100°C (AMB)
- Hysteresis : ±10% of full scale (Dead Band)
விவரக்குறிப்பு
| திறவுச்சொல் | |
| பிராண்ட் | |
| தோற்றம் | TW |

